



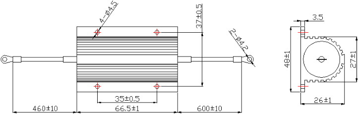
■ Внешний размер (ЕДИНИЦА ИЗМЕРЕНИЯ: мм)

Материал | Теплопроводность (КДж/м·ч·℃) | Максимальная рабочая температура (℃) | Удельное сопротивление (мкОм·м) | Удельная теплоемкость (Дж/г·℃) | Плотность (г/см³) |
Никель-хромовый сплав | 60.3 | 1200℃ | 1.09 | 0,44 | 8.4 |
Диаметр проволоки (мм) | Длина провода сопротивления (мм) | Размер провода сопротивления (мм³) | Вес провода сопротивления (г) | Общая теплоемкость (Дж/℃) |
0,18 | 3500 | 89 | 0,748 | 0,836 |
Спецификация | RX27-8-60W-50RJ |
Номинальная мощность (Вт) | 60 Вт |
Стандартное значение сопротивления и допуск | 50R±5% |
Рабочая температура | -55℃~275℃ |
Диапазон атмосферного давления | 8,5 л.с.~104 л.с. |
Если вас заинтересовала наша продукция и вы хотите узнать более подробную информацию, пожалуйста, оставьте сообщение здесь, мы ответим вам как можно скорее.
Тел.:0086-519-83976620
Электронная почта:liujindong@nfdq.cn
№ 6, Интеллектуальный промышленный парк Синьсинь, Чанчжоу, Цзянсу
Компания Changzhou Southern Electronic Element Factory Co., Ltd. расположена в городе Чанчжоу, имеющем богатую историю в провинции Цзянсу. Она расположена в самом экономически активном районе в дельте реки Янцзы. Транспортное сообщение очень удобное. Через город проходят скоростные автомагистрали и скоростные железные дороги. До Шанхая или Нанкина можно добраться всего за полтора часа. Отсюда можно добраться до крупных городов Китая на самолёте.
Компания Changzhou Southern Electronic Element Factory Co., Ltd. была основана в 1989 году. После нескольких лет развития и усилий она инвестировала и открыла три дочерние компании в городах Яньчэн, Хуайань в провинции Цзянсу и Ланси в провинции Аньхой соответственно.